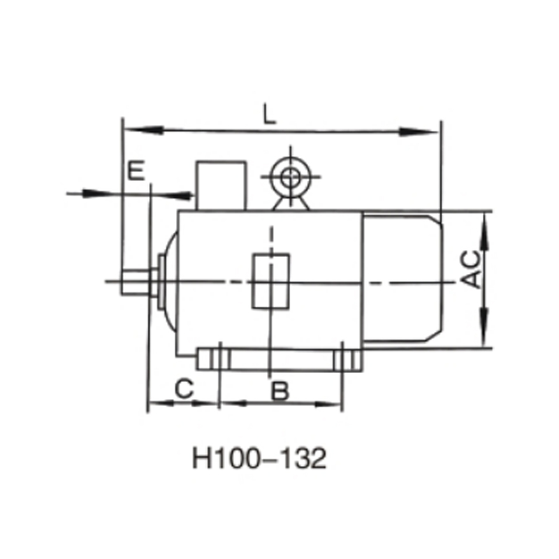
機座帶底腳、端蓋上無凸緣的電動機(B3)Frame with foot end shield without flange(B3)
如需更多信息,請發送電子郵件或撥打我們的熱線電話
機座帶底腳、端蓋上無凸緣的電動機(B3)Frame with foot end shield without flange(B3)
如需更多信息,請發送電子郵件或撥打我們的熱線電話
| 機座号 | 極數 | A | A/2 | B | C | H | K | D | E | F | G | AB | AC | AD | HD | L |
| Frame | Ploes | |||||||||||||||
| 63M | 2.4 | 100 | 50 | 80 | 40 | 63 | 7 | 11 | 23 | 4 | 8.5 | 135 | 130 | — | 180 | 230 |
| 71M | 2.4.6 | 112 | 56 | 90 | 45 | 71 | 14 | 30 | 5 | 11 | 150 | 145 | — | 195 | 255 | |
| 80M | 2.4.6.8 | 125 | 62.5 | 100 | 50 | 80 | 10 | 19 | 40 | 6 | 15.5 | 165 | 175 | 145 | 220 | 305 |
| 90S | 140 | 70 | 100 | 56 | 90 | 24 | 50 | 8 | 20 | 180 | 195 | 165 | 260 | 360 | ||
| 90L | 125 | 390 | ||||||||||||||
| 100L | 160 | 80 | 140 | 63 | 100 | 12 | 28 | 60 | 24 | 205 | 215 | 180 | 270 | 435 | ||
| 112M | 190 | 95 | 140 | 70 | 112 | 230 | 240 | 190 | 310 | 470 | ||||||
| 132S | 216 | 108 | 140 | 89 | 132 | 38 | 80 | 10 | 33 | 207 | 210 | 276 | 345 | 510 | ||
| 132M | 178 | 550 |